대동기업사

본문 바로가기
1 2

온실용 공기순환팬

ACF-300
특징
대풍량·저소음 속도조절이 필요 없는 유속을 이용하여 바람 도달거리는 최대화하고, 소음을 최소화하여 작업자와 작물에 쾌적한 환경을 제공
내구성 설계 다습한 하우스내의 환경을 고려하여 알루미늄과 스테인리스 스틸 (SUS 304)로 구성된 부품은 수명이 반영구적
경제적 구조 절전형으로 특수방습용 모터를 채택하여 많은 대수에도 전기료가 절약됨
간편설치 경량으로 탈부착이 용이한 구조
전기에너지를 사용하므로 환경오염물질을 배출되지 않아 친환경적이다
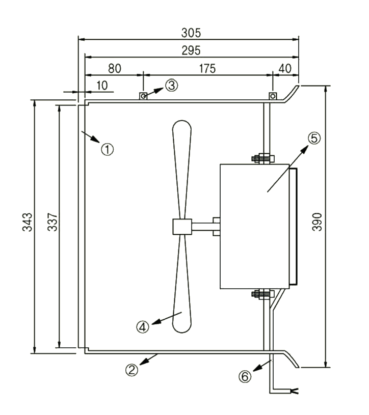
도면
도면
성능과 효과
광합성 촉진성능과 효과 온실 내부의 탄산가스를 순환시키고, 식물 입주변의 공기가 정체하면 잎표면에 두터운 엽면 경계층이 생기는 것을 파괴하여 탄산가스 공급을 원활하게 하여 광합성을 촉진
병해 발생 예방성능과 효과 습도를 감소시켜 병해 발생을 억제함과 동시에 예방성능과 효과
도장방지와 생육의 균일화 작물에 물리적 자극을 주어 내생 에틸렌의 발생을 촉진하여 생리 활성을 높이고, 생육의 균일화 성능과 효과
고온 대책과 온도 편차의 해소 미풍의 공기를 순환시킴으로서 온도 편차를 해소하고 국소적인 고온 상태를 개선시키는 성능과 효과
표준사양
모 델 No.
(Model No.)
전압
Volt
(V)

Phase
(∮)
소비전력
Power
Consumption
(W)
최대풍량
Max Air
Volume
(㎥/h)

회전수
Revolutions
perminute
(R.P.M)

전류
Ampere
(A)
날개크기
Impeller
size
(mm)

보호등급
Ingress
Protection

주파수
Frequency
(Hz)

극수
Poles
(P)

절연등급
Insulation
Class
날개수
Number
of wing
(pcs)
소음
Noise
(Db)
무게
Weight
(Kg)
적용평수(300평)
Area Of
Application
(0.1Ha)
ACF-250 220 1 35 1,500 1,600 0.2 220 IP54 60 4 E 5 52 2.1 15~20
ACF-300 220 1 70 2,100 1,400 0.3 300 IP54 60 4 E 4 60 3 10~15
ACF-300S 220 1 70 2,100 1,400 0.3 300 IP54 60 4 E 4 60 4.8 10~15
ACF-400 220 1 130 2,820 1,120 0.5 400 IP55 60 6 E 5 57 7 5~10
대동기업사
  • 대구본사 : 대구 북구 노원로1길 94-9 |
  • Tel : 053-358-0844, 424-7883 |
  • Fax : 053-359-1131

  • 김천지사 : 경북 김천시 새들길 270 |
  • Tel : 054-434-7883 |
  • Fax :054-437-7883

  • 대동기업사 |
  • 대표자 : 김미경 |
Copyright © 대동기업사. All rights reserved.