Ȩ > Á¦Ç°¼Ò°³ > °ø¾÷¿ë ¼Ûdz±â> PORTABLE FAN

PORTABLE FAN

¸ðµ¨ ³¯°³Ä¡¼ö ±Ø¼ö ÀÔ·Â(W) Á¤¾Ð(§®Aq) dz·®(m©ø/h) Áß·®(§¸) Àü¿ø
DDS-P20S 170 2 160 20 1,700 7 ´Ü»ó 220V
DDS-P25S 220 2 250 25 2,100 9
DDS-P30S 270 2 410 40 3,600 12
DDS-P25S 320 2 750 50 5,300 14

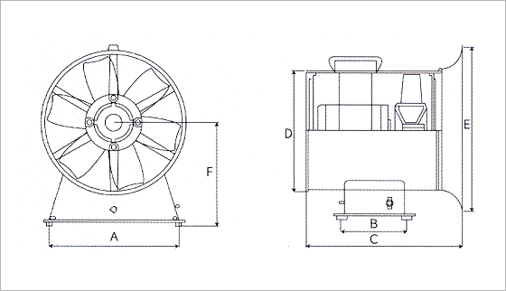
¸ðµ¨ A B C D E F Á¢¼Ó´öÆ®
DDS-P20S 210 180 300 195 270 290 ¥õ200
DDS-P25S 210 180 300 245 320 350 ¥õ250
DDS-P30S 245 200 315 295 370 420 ¥õ300
DDS-P25S 280 200 330 345 430 470 ¥õ350